海龙官网
Hailongdesign
Search
首页
主页
Close 主页
Open 主页
一键平立面
BLM立面
绘图流程
海龙基础
功能分类
最强工作流
主卧施工图
用户配置
彩色施工图
全屋定制
图纸深化
动态
视频
抖音
下载
更新
自助售后
Close 自助售后
Open 自助售后
正版权益
下载软件
安装海龙
升级备份
界面设置
命令下载
改快捷键
卸载海龙
智能预算
水电
商城
Search
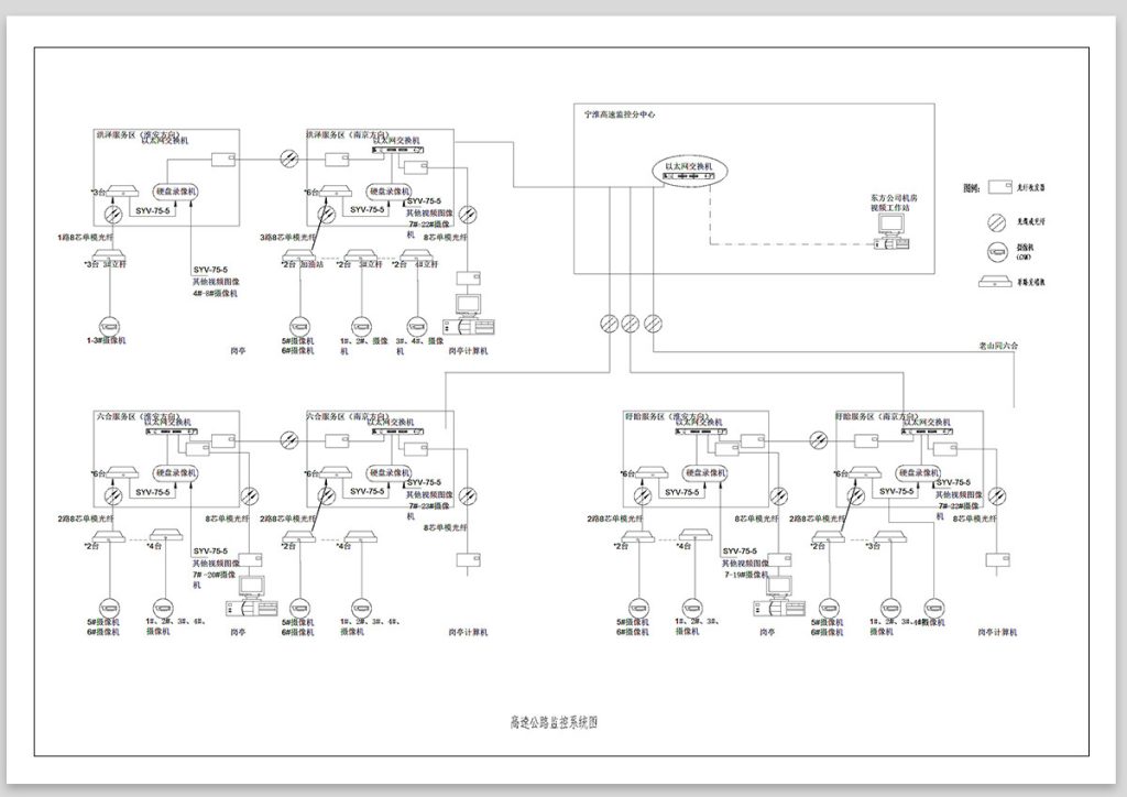
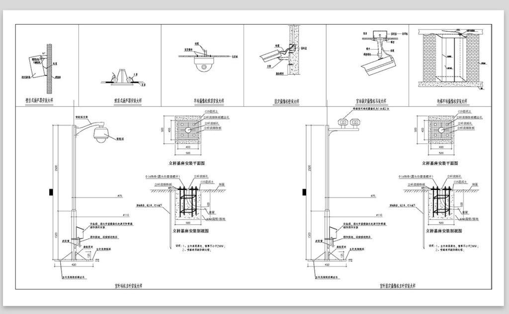
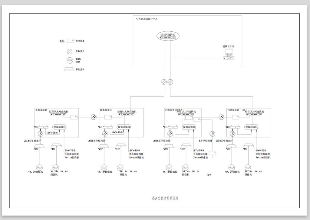
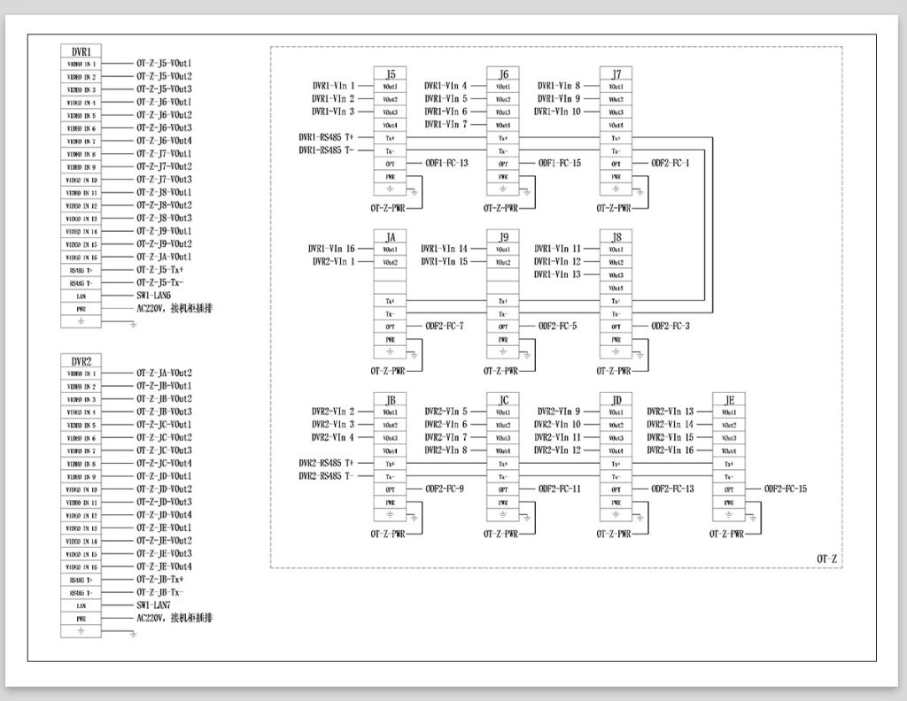
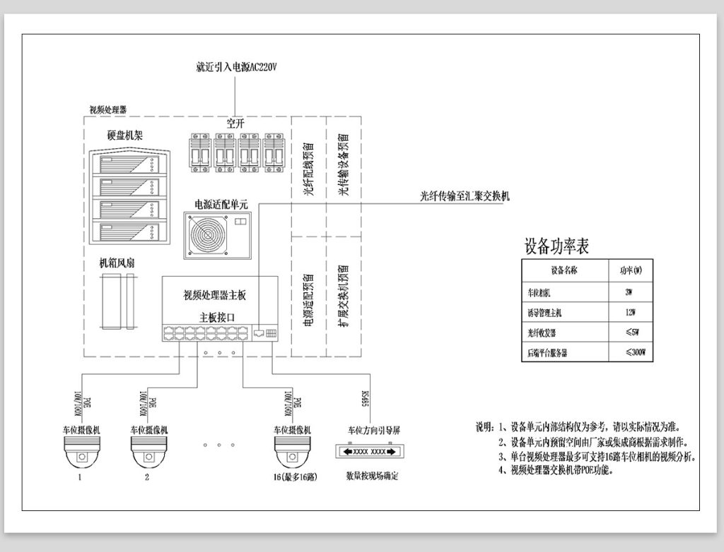
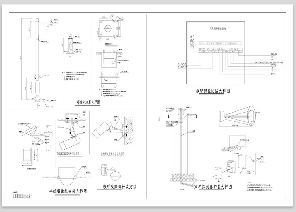
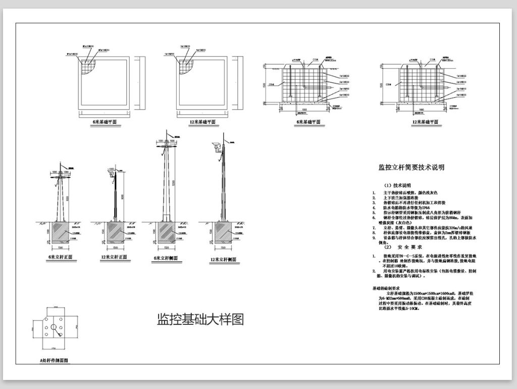
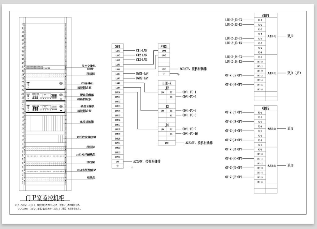
【Fe01】监控系统CAD大样施工图
error: